2021年《建设工程目标控制(土建)》试题及答案
一、单项选择题(共80题,每题1分。每题的备选项中,只有1个最符合题意)
1.建设工程规定合理使用寿命期,体现了建设工程质量的( )特性。
A.适用性
B.耐久性
C.安全性
D.经济性
【答案】B
【解析】本题考查的是建设工程质量特性。耐久性,即寿命,是指工程在规定的条件下,满足规定功能要求使用的年限,也就是工程竣工后的合理使用寿命期。参见教材P1。
2.通过对人的素质和行为控制,以工作质量保证工程质量的做法,体现了坚持( )的质量控制原则。
A.质量第一
B.预防为主
C.以人为核心
D.以合同为依据
【答案】C
【解析】本题考查的是工程质量控制的原则。坚持以人为核心的原则,在工程质量控制中,要以人为核心,重点控制人的素质和人的行为,充分发挥人的积极性和创造性,以人的工作质量保证工程质量。参见教材P5。
3.建设工程发生质量事故后,有关单位应在( )小时内向当地建设行政主管部门和其他有关部门报告。
A.1
B.2
C.24
D.48
【答案】C
【解析】本题考查的是工程质量管理主要制度。建设工程发生质量事故,有关单位应当在24小时内向当地建设行政主管部门和其他有关部门报告。参见教材P7。
4.下列工作中,施工单位不得擅自开展的是( )。
A.对已完成的分项工程进行自检
B.对预拌混凝土进行检验、
C.对分包工程质量进行检查
D.修改工程设计,纠正设计图纸差错
【答案】D
【解析】本题考查的是施工单位的质量责任和义务。必须按照工程设计图纸和施工技术标准施工,不得擅自修改工程设计,不得偷工减料。在施工过程中发现设计文件和图纸有差错的,应当及时提出意见和建议。参见教材P13。
5.重点管理能改进组织关键活动的各种因素,是ISO质量管理体系的质量管理原则中( )的基本内容。
A.以顾客为关注焦点
B.领导作用
C.全员参与
D.过程方法
【答案】D
【解析】本题考查的是ISO质量管理体系的质量管理原则及特征。过程方法的基本内容包括:应用PDCA循环,过程策划,明确管理的职责和权限,配备过程所需资源(包括人力、设施设备、原材料、作业方法、工作环境和信息资源等),重点管理能改进组织关键活动的各种因素,评估过程风险以及对顾客、供方和其他相关方可能产生的影响和后果。参见教材P23。
6.监理单位质量管理体系运行中,定期召开监理例会体现了( )的要求。
A.文件标识与控制
B.产品质量追踪检查
C.物资管理
D.内部审核
【答案】B
【解析】本题考查的是监理企业质量管理体系的建立与实施。产品质量的追踪检查:建立两级质量管理体系,严格控制服务产品质量;坚持定期召开监理例会。参见教材P34。
7.根据《卓越绩效评价准则》,采用卓越绩效模式的驱动力来自( )。
A.标准化导向
B.市场竞争
C.市场准入
D.符合性评审
【答案】B
【解析】本题考查的是《卓越绩效评价准则》与ISO9000的比较。“卓越绩效”模式来自市场竞争的驱动,通过质量奖及自我评价促进竞争力水平提高。参见教材P54。
8.在工程质量统计分析中,用来描述数据离散趋势的特征值是( )。
A.平均数与标准偏差
B.中位数与变异系数
C.标准偏差与变异系数
D.中位数与标准偏差
【答案】C
【解析】本题考查的是工程质量统计及抽样检验的基本原理和方法。描述数据离散趋势的特征值有:极差,标准偏差,变异系数。参见教材P57。
9.根据《建筑工程施工质量验收统一标准》,对应于主控项目合格质量水平的错判概率α和漏判概率β,正确的取值范围是( )。
A.α和β均不宜超过5%
B.α不宜超过5%,β不宜超过10%
C.α不宜超过3%,β不宜超过5%
D.α不宜超过3%,β不宜超过10%
【答案】A
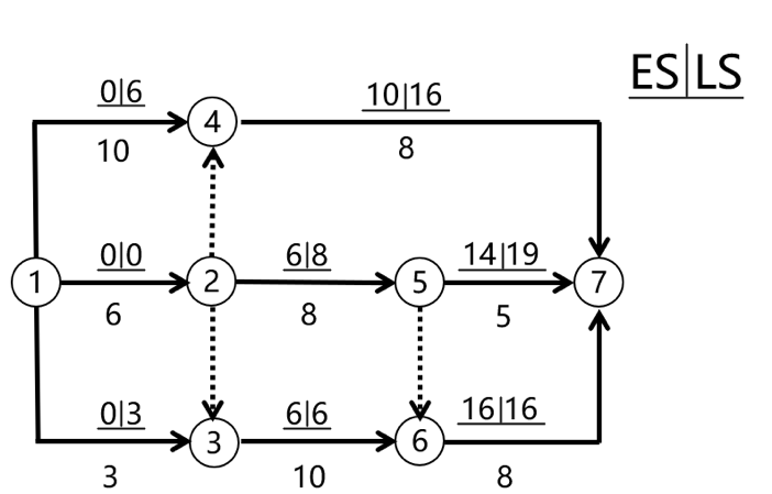
【解析】本题考查的是工程质量统计及抽样检验的基本原理和方法。对生产方风险(或错判概率α)和使用方风险(或漏判概率β)可按下列规定采取:(1)主控项目:对应于合格质量水平的α和β均不宜超过5%。(2)一般项目:对应于合格质量水平的α不宜超过5%,β不宜超过10%。参见教材P64。
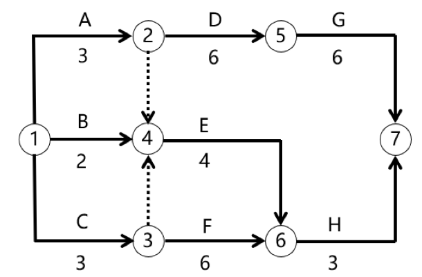
10.工程质量统计分析相关图中,散布点形成由左至右向下分布的较分散的直线带,表明反映产品质量特征的变量之间存在( )关系。
A.不相关
B.正相关
C.弱正相关
D.弱负相关
【答案】D
【解析】本题考查的是工程质量统计分析方法。弱负相关,散布点形成由左至右向下分布的较分散的直线带。参见教材P78。
11.一组混凝土立方体抗压强度试件测量值分别为42.3MPa、47.6MPa、54.9MPa时,该组试件的试验结果是( )。
A.47.6MPa
B.48.3MPa
C.51.3MPa
D.无效
【答案】A
【解析】本题考查的是基本材料性能检验。三个试件测量值的算术平均值作为该组试件的强度值;三个测量值中的最大值最小值中如有一个与中间值的差值超过中间的15%时,则把最大及最小值一并去除,取中间值作为该组试件的抗压强度值;如最大值和最小值的差均超过中间值的15%,则该组试件的试验结果无效。最小值与中间值比较:(47.6-42.3)/47.6=11.13%,最大值与中间值比较:(54.9-47.6)/47.6=15.34%,因此应把最大及最小一并去除,取中间值47.6MPa为抗压强度值。参见教材P82。
12.进行桩基工程单桩静承载力试验时,在同一条件下试桩数不宜少于总桩数的( ),并不应少于3根。
A.1%
B.2%
C.3%
D.5%
【答案】A
【解析】本题考查的是基本材料性能检验。单桩静承载力试验,试验数量在同一条件下,试桩数不宜少于总桩数的1%,并不应少于3根,工程总桩数50根以下不少于2根。参见教材P87。
13.进行工程质量统计分析时,因分组组数不当绘制的直方图可能会形成( )直方图。
A.折齿型
B.孤岛型
C.双峰型
D.绝壁型
【答案】A
【解析】本题考查的是工程质量统计分析方法。折齿型是由于分组组数不当或者组距确定不当出现的直方图;孤岛型是原材料发生变化,或者临时他人顶班作业造成的;双峰型是由于用两种不同方法或两台设备或两组工人进行生产,然后把两方面数据混在一起整理产生的;绝壁型是由于数据收集不正常,可能有意识地去掉下限以下的数据,或是在检测过程中存在某种人为因素影响所造成的。参见教材P73。
14.提供工程地质条件各项技术参数并满足施工图设计要求,是( )勘察阶段的主要任务。
A.可行性研究
B.选址
C.初步
D.详细
【答案】D
【解析】本题考查的是工程勘察各阶段工作要求。详细勘察提出设计所需的工程地质条件的各项技术参数,对基础设计、地基基础处理与加固、不良地质现象的防治工程等具体方案做出岩土工程计算与评价,以满足施工图设计的要求。参见教材P95。
15.为解决重大技术问题,在( )之后可增加技术设计。
A.方案设计
B.初步设计
C.扩初设计
D.施工图设计
【答案】B
【解析】本题考查的是初步设计文件的编制条件。有独特要求的项目,或复杂的,采用新工艺、新技术又缺乏设计经验的重大项目,或有重大技术问题的主体单项工程,在初步设计之后可增加单项技术设计阶段。参见教材P97。
16.项目监理机构实施设计阶段相关服务时,属于施工图设计协调管理工作的是( )。
A.协助审查施工图是否符合工程建设强制性标准
B.协助审查施工图中的消防安全性
C.协助建设单位建立设计过程的联席会议制度
D.***
【答案】C
【解析】本题考查的是施工图设计质量管理。工程监理单位承担设计阶段相关服务的,应做好下列工作:(1)协助建设单位审查设计单位提出的新材料、新工艺、新技术、新设备(简称“四新”)在相关部门的备案情况;(2)协助建设单位建立设计过程的联席会议制度,组织设计单位各专业主要设计人员定期或不定期开展设计讨论.共同研究和探讨设计过程中出现的矛盾,集思广益,根据项目的具体特性和处于主导地位的专业要求进行综合分析,提出解决的方法;(3)协助建设单位开展深化设计管理。参见教材P100。
17.根据《工程质量安全手册(试行)》,关于混凝土分项工程施工的说法,正确的是( )。
A.泵送混凝土的坍落度小于14cm时,可以少量加水
B.楼板后浇带的模板支撑体系应按规定单独设置
C.混凝土应在终凝时间内浇筑完毕
D.混凝土振捣棒每次插入振动的时间不少于15s
【答案】B
【解析】本题考查的是工程实体质量控制。楼板后浇带的模板支撑体系按规定单独设置。选项A错误,严禁在混凝土中加水。泵送混凝土坍落度不符合要求,泵送前要用足够的水泥浆来润滑管壁。选项C错误,混凝土应在初凝时间内浇筑完毕。选项D错误,混凝土振捣棒每次插入振捣的时间为20~30秒左右。参见教材P128。
18.关于项目监理机构对检验批验收的说法,正确的是( )。
A.检验批施工完成后就可以验收
B.检验批应在隐蔽工程隐蔽后验收
C.检验批应在分项工程验收后验收
D.检验批在施工单位自检合格并报验后可以验收
【答案】D
【解析】本题考查的是建筑工程施工质量验收程序和合格规定。验收前,施工单位应对施工完成的检验批进行自检,对存在的问题自行整改处理,合格后填写检验批报审、报验表及检验批质量验收记录,并将相关资料报送项目监理机构申请验收。参见教材P159。
19.项目监理机构对施工方案的审查内容是( )。
A.施工总平面布置
B.计算书及相关图纸
C.资金、劳动力等资源供应计划
D.施工预算
【答案】B
【解析】本题考查的是施工方案审查。审查施工方案的基本内容是否完整,包括:(1)工程概况:分部分项工程概况、施工平面布置、施工要求和技术保证条件;(2)编制依据:相关法律法规、标准、规范及图纸(国标图集)、施工组织设计等;(3)施工安排:包括施工顺序及施工流水段的确定、施工进度计划、材料与设备计划;(4)施工工艺技术:技术参数、工艺流程、施工方法、检验标准等;(5)施工保证措施:组织保障、技术措施、应急预案、监测监控等;(6)计算书及相关图纸。参见教材P112。
20.关于见证取样工作的说法,正确的是( )。
A.见证取样项目和数量应按施工单位编制的检测试验计划执行
B.选定的检测机构应在工程质量监督机构备案
C.施工单位取样人员不能由专职质检人员担任
D.负责见证取样的监理人员应有资格证书
【答案】B
【解析】本题考查的是见证取样与平行检验。选项A错误,取样应在见证人员旁站下进行,取样数量及方法应按相关技术标准、规范、规程的规定抽取。选项C错误,施工单位从事取样的人员一般应由试验室人员或专职质检人员担任。选项D错误,负责见证取样的监理人员要具有材料、试验等方面的专业知识,并经培训考核合格,且要取得见证人员培训合格证书。参见教材P125。
21.项目监理机构实施平行检验的项目、数量、频率和费用应按( )执行。
A.相关法规
B.质量检测管理办法
C.合同约定
D.施工方案
【答案】C
【解析】本题考查的是见证取样与平行检验。平行检验的项目、数量、频率和费用等应符合建设工程监理合同的约定。参见教材P125。
22.根据《工程质量安全手册(试行)》,高处作业吊篮内作业人员不应超过( )。
A.1人
B.2人
C.3人
D.专项施工方案所确定的人数
【答案】B
【解析】本题考查的是安全生产现场控制。对于高处作业吊篮的使用,各限位装置应齐全有效,安全锁必须在有效的标定期限内,吊篮内作业人员不应超过2人。参见教材P147。
23.根据《危险性较大的分部分项工程安全管理规定》,施工单位应编制专项施工方案,并组织专家论证的是( )工程。
A.开挖深度为4.5m的基坑
B.45m高的脚手架
C.悬挂高度为100m的高处作业吊篮
D.20m高的悬挑脚手架
【答案】D
【解析】本题考查的是危大工程范围。对于超过一定规模的危大工程,施工单位应当组织召开专家论证会对专项施工方案进行论证。选项ABC属于危险性较大的分部分项工程范围。参见教材P150。
24.项目监理机构应在( )后编制工程质量评估报告。
A.单位工程完工
B.竣工验收交付使用
C.竣工预验收合格
D.竣工验收
【答案】C
【解析】本题考查的是项目质量控制系统的建立与实施。工程竣工预验收合格后,项目监理机构应编写工程质量评估报告,并应经总监理工程师和监理单位技术负责人审核签字后报建设单位。参见教材P169。
25.为了确认建设项目是否达到设计目标及标准要求,城市轨道交通建设工程竣工验收应在( )后进行。
A.试运行三个月,并通过全部专项验收
B.试运行三个月,并通过主要专项验收
C.试运营三个月,并通过全部单位工程验收
D.试运营三个月,并通过全部专项验收
【答案】A
【解析】本题考查的是单位工程验收。城市轨道交通建设工程所包含的单位工程验收合格且通过相关专项验收后,方可组织项目工程验收;项目工程验收合格后,建设单位应组织不载客试运行,试运行三个月、并通过全部专项验收后,方可组织竣工验收;竣工验收合格后,城市轨道交通建设工程方可履行相关试运营手续。参见教材P181。
26.工程质量保证金是用以保证( )内施工单位对工程缺陷进行维修的资金。
A.工程投入使用3年
B.工程投入使用5年
C.施工合同约定的缺陷责任期
D.设计使用年限
【答案】C
【解析】本题考查的是工程保修的相关规定。建设工程质量保证金是指发包人与承包人在建设工程承包合同中约定,从应付的工程款中预留,用以保证承包人在缺陷责任期内对建设工程出现的缺陷进行维修的资金。参见教材P185。
27.分项工程质量合格的条件是( )。
A.主控项目全部合格,一般项目合格率为80%
B.主控项目全部合格,一般项目经抽样检验合格
C.所含的检验批质量均验收合格,且其验收资科齐全完整
D.所含的检验批质量均验收合格,且其观感质量符合要求
【答案】C
【解析】本题考查的是建筑工程施工质量验收程序和合格规定。分项工程质量验收合格应符合下列规定:(1)所含检验批的质量均应验收合格。(2)所含检验批的质量验收记录应完整。参见教材P166。
28.根据《建筑施工特种作业人员管理规定》,必须持证上岗的工种是( )。
A.混凝土工
B.木工
C.建筑架子工
D.在吊篮上作业的抹灰工
【答案】C
【解析】本题考查的是巡视与旁站。根据《建筑施工特种作业人员管理规定》,对于建筑电工、建筑架子工、建筑起重信号司索工、建筑起重机械司机、建筑起重机械安装拆卸工、高处作业吊篮安装拆卸工、焊接切割操作工以及经省级以上人民政府建设主管部门认定的其他特种作业人员,必须持施工特种作业人员操作证上岗。参见教材P120。
29.施工中出现需要加固的质量缺陷时,项目监理机构应审查施工单位提交的( )。
A.按设计规范编制的加固处理方案
B.经该项目设计单位认可的加固处理方案
C.经有相应设计资质的设计单位认可的加固处理方案
D.经建设单位认可的加固处理方案
【答案】B
【解析】本题考查的是监理通知单、工程暂停令、复工令的签发。对需要返工处理或加固补强的质量缺陷,项目监理机构应要求施工单位报送经设计等相关单位认可的处理方案,并应对质量缺陷的处理过程进行跟踪检查,同时应对处理结果进行验收。参见教材P141。
30.工程质量事故发生后,总监理工程师应采取的做法是( )。
A.立即组织抢险
B.立即征得建设单位同意后签发工程暂停令
C.立即进行事故调查
D.立即要求施工单位查清原因和责任人
【答案】B
【解析】本题考查的是工程质量事故处理。工程质量事故发生后,总监理工程师应采取的做法是征得建设单位同意后,签发工程暂停令。参见教材P192。
31.某工程的混凝土构件尺寸偏差不符合验收规范要求,经原设计单位验算,得出的结论是该构件能够满足结构安全和使用功能要求,则该混凝土构件的处理方式是( )。
A.返工处理
B.不做处理
C.试验检测
D.限制使用
【答案】B
【解析】本题考查的是工程质量事故处理。通常不用专门处理的情况有以下几种:(1)不影响结构安全和正常使用。(2)有些质量缺陷,经过后续工序可以弥补。(3)经法定检测单位鉴定合格。(4)出现的质量缺陷,经检测鉴定达不到设计要求,但经原设计单位核算,仍能满足结构安全和使用功能。参见教材P194。
32.项目监理机构在设备监造过程中的质量控制工作是( )。
A.审查工艺方案
B.检查生产人员上岗资格
C.控制加工作业条件
D.检查设备出厂包装质量
【答案】C
【解析】本题考查的是设备制造的质量控制内容。项目监理机构在设备制造过程中的监督和检验工作包括以下内容:(1)对加工作业条件的控制;(2)对工序产品的检查与控制;(3)对不合格零件的处置;(4)对设计变更的处理;(5)对零件、半成品、制成品的保护。参见教材P201。
33.某生产性项目的建设投资2000万元,建设期利息300万元,流动资金500万元,则该项目的固定资产投资为( )万元。
A.2000
B.2300
C.2500
D.2800
【答案】B
【解析】本题考查的是建设工程项目投资的概念。固定资产投资=建设投资+建设期利息=2000+300=2300(万元)。参见教材P1。
34.选择建设工程设计方案和进行初步设计时,应以( )作为投资控制的目标。
A.投资估算
B.设计概算
C.施工图预算
D.施工预算
【答案】A
【解析】本题考查的是投资控制的目标。投资估算应是建设工程设计方案选择和进行初步设计的投资控制目标。参见教材P4。
35.按费用构成要素划分,下列费用中,属于建筑安装工程费用中企业管理费的是( )。
A.工伤保险费
B.养老保险费
C.劳动保护费
D.流动施工津贴
【答案】C
【解析】本题考查的是按费用构成要素划分的建筑安装工程费用项目组成。选项AB属于规费;选项D属于人工费。参见教材P14。
36.某材料的出厂价2500元/吨,运杂费80元/吨,运输损耗率1%,采购保管费率2%,则该材料的(预算)单价为( )元/吨。
A.2575.50
B.2655.50
C.2657.40
D.2657.92
【答案】D
【解析】本题考查的是建筑安装工程费用计算方法。材料单价=(材料原价+运杂费)×(1+运输损耗率)×(1+采购保管费率)=(2500+80)×(1+1%)×(1+2%)=2657.92(元)。参见教材P19。
37.某进口设备,按人民币计算的离岸价格210万元,国外运费5万元,国外运输保险费0.9万元。进口关税税率10%,增值税税率13%,不征收消费税,则该进口设备应纳增值税税额为( )万元。
A.27.300
B.28.067
C.30.797
D.30.874
【答案】D
【解析】本题考查的是设备购置费组成和计算。进口设备到岸价=离岸价+国外运费+国外运输保险费=210+5+0.9=215.9(万元),进口设备增值税税额=(到岸价+进口关税+消费税)×增值税率=(215.9+215.9×10%)×13%=30.874(万元)。参见教材P29。
38.某新建项目,建设期2年,计划银行贷款3000万元,第1年贷款1800万元,第2年贷款1200万元,年利率5%,则该项目估算的建设期利息为( )万元。
A.90.00
B.167.25
C.240.00
D.244.50
【答案】B
【解析】本题考查的是建设期利息。建设期第1年应计利息:1800/2×5%=45(万元),第2年应计利息:(1800+45+1200/2)×5%=122.25(万元),建设期利息=45+122.25=167.25(万元)。参见教材P36。
39.除国家对采用高新技术成果有特别规定外,固定资产投资项目资本金中以工业产权、非专利技术作价出资的比例不得超过该项目资本金总额的( )。
A.10%
B.15%
C.20%
D.50%
【答案】C
【解析】本题考查的是项目资本金制度。以工业产权、非专利技术作价出资的比例不得超过投资项目资本金总额的20%,国家对采用高新技术成果有特别规定的除外。参见教材P37。
40.下列评价指标中,属于PPP物有所值定性评价的基本评价指标是( )。
A.可融资性
B.项目规模大小
C.运营收入增长潜力
D.行业示范性
【答案】A
【解析】本题考查的是项目融资主要方式。定性评价指标包括全生命周期整合程度、风险识别与分配、绩效导向与鼓励创新、潜在竞争程度、政府机构能力、可融资性六项基本评价指标,以及根据具体情况设置的补充指标。参见教材P60。
41.下列可行性研究内容中,属于建设方案研究与比选的是( )。
A.产品价格现状及预测
B.筹资方案与资金使用计划
C.产品竞争力优劣势分析
D.产品方案与建设规模
【答案】D
【解析】本题考查的是项目可行性研究的内容。建设方案研究与比选主要包括:(1)产品方案与建设规模;(2)工艺技术和主要设备方案;(3)厂(场)址选择;(4)主要原材料、辅助材料、燃料供应;(5)总图运输和土建方案;(6)公用工程;(7)节能、节水措施;(8)环境保护治理措施方案;(9)安全、职业卫生措施和消防设施方案;(10)项目的组织机构与人力资源配置等;(11)对政府投资项目还应包括招标方案和代建制方案等。参见教材P65。
42.某项两年期借款,年利率为6%,按月复利计息,每季度结息一次,则该项借款的季度实际利率为( )。
A.1.508%
B.1.534%
C.1.542%
D.1.589%
【答案】A
【解析】本题考查的是资金时间价值的计算。季度实际利率=(1+6%/12)3-1=1.508%。参见教材P71。
43.采用生产能力指数法估算某拟建项目的建设投资,拟建项目规模为已建类似项目规模的5倍,且是靠增加相同规格设备数量达到的,则生产能力指数的合理取值范围是( )。
A.0.2~0.5
B.0.6~0.7
C.0.8~0.9
D.1.1~1.5
【答案】C
【解析】本题考查的是投资估算编制方法。若已建类似项目规模和拟建项目规模的比值为0.5~2,x的取值近似为1;若已建类似项目规模与拟建项目规模的比值为2~50,且拟建项目生产规模的扩大仅靠增大设备规模来达到时,则x的取值为O.6~0.7;若是靠增加相同规格设备的数量达到时,x的取值为0.8~0.9。参见教材P77。
44.某项目建设投资1200万元,建设期贷款利息100万元,铺底流动资金90万元,铺底流动资金为全部流动资金的30%,项目正常生产年份税前利润260万元,年利息20万元,则该项目的总投资收益率为( )。
A.16.25%
B.17.50%
C.20.00%
D.20.14%
【答案】B
【解析】本题考查的是财务分析主要指标的计算。总投资收益率=项目达到设计生产能力后正常年份的年息税前利润或运营期内年平均息税前利润/总投资=(260+20)/(1200+100+90/30%)×100%=17.5%。参见教材P84。
45.民用建筑设计方案经济性评价追求的目标是( )。
A.规模一定的条件下,工程造价/投资最低
B.单位面积使用阶段能耗最低,节能效果好
C.满足结构安全的前提下,主要建筑材料消耗最少
D.全寿命周期的高性价比
【答案】D
【解析】本题考查的是设计方案评选的内容。“经济”不能简单的理解为追求造价,不能狭隘地理解为投入少就是经济,而是追求全寿命的经济、高性价比的经济。参见教材P97。
46.某项目建筑安装工程目标造价2000元/m3,项目四个功能区重要性采用0-1评分法,评分结果如下表,则该项目建筑安装工程在节能方面的投入宜为( )元/m3。
功能区 | 安全 | 适用 | 节能 | 美观 |
安全 | × | 0 | 1 | 1 |
适用 | 1 | × | 1 | 1 |
节能 | 0 | 0 | × | 1 |
美观 | 0 | 0 | 0 | × |
A.340
B.400
C.600
D.660
【答案】B
【解析】本题考查的是价值工程的应用。节能的投入=2000×0.2=400(元/m3)。参见教材P106。
功能区 | 安全 | 适用 | 节能 | 美观 | 功能得分 | 修正得分 | 功能重要性系数 |
安全 | × | 0 | 1 | 1 | 2 | 3 | 0.3 |
适用 | 1 | × | 1 | 1 | 3 | 4 | 0.4 |
节能 | 0 | 0 | × | 1 | 1 | 2 | 0.2 |
美观 | 0 | 0 | 0 | × | 0 | 1 | 0.1 |
合计 | 6 | 10 | 1 |
47.关于设计概算编制的说法,正确的是( )。
A.应按编制时项目所在地的价格水平编制,不考虑后续价格变动
B.应按编制时项目所在地的价格水平编制,不考虑施工条件影响
C.应按编制时项目所在地的价格水平编制,还应按项目合理工期预测建设期价格水平
D.应按编制时项目所在地的价格水平编制,不考虑建设项目的实际投资
【答案】C
【解析】本题考查的是设计概算的审查。设计概算应按编制时项目所在地的价格水平编制,总投资应完整地反映编制时建设项目的实际投资;设计概算应考虑建设项目施工条件等因素对投资的影响;还应按项目合理工期预测建设期价格水平,以及资产租赁和贷款的时间价值等动态因素对投资的影响;建设项目总投资还应包括铺底流动资金。参见教材P116。
48.采用定额单价法编制施工图预算时,若某分项工程的主要材料品种与预算单价或单位估价表中规定材料不一致,则正确的做法是( )。
A.按实际使用材料价格换算预算单价,再套用换算后的单价
B.直接套用预算单价,再根据材料价差调整工程费用
C.改用实物量法编制施工图预算
D.改用工程量清单单价法编制施工图预算
【答案】A
【解析】本题考查的是施工图预算的编制方法。分项工程的主要材料品种与预算单价或单位估价表中规定材料不一致时,不能直接套用预算单价;需要按实际使用材料价格换算预算单价。参见教材P122。
49.招标工程量清单的准确性和完整性应由( )负责。
A.招标人和施工图审查机构共同
B.招标代理机构
C.招标人
D.招标人和投标人共同
【答案】C
【解析】本题考查的是工程量清单编制。采用工程量清单方式招标,招标工程量清单必须作为招标文件的组成部分,其准确性和完整性由招标人负责。参见教材P130。
50.招标投标过程中,出现招标工程量清单项目特征描述与设计图纸不符时,投标人的正确做法是( )。
A.以设计图纸的要求为准进行报价并加备注
B.根据设计单位确认的项目特征报价
C.以招标工程量清单的项目特征描述和设计图纸分别报价
D.以招标工程量清单的项目特征描述为准进行报价
【答案】D
【解析】本题考查的是投标报价审核方法。在招标投标过程中,当出现招标工程量清单特征描述与设计图纸不符时,投标人应以招标工程量清单的项目特征描述为准,确定投标报价的综合单价。参见教材P142。
51.总价施工合同履行过程中,承包人发现某分项工程在招标文件给出的工程量表中被遗漏,则处理该分项工程价款的方式是( )。
A.由发承包双方按单价合同计价方式协商确定结算价
B.由发承包双方另行订立补充协议确定计价方式和价款
C.由发承包双方协商确定一个总价并调整原合同价
D.视为已包含在合同总价中,因而不单独进行结算
【答案】D
【解析】本题考查的是合同计价方式。如果业主提供的或承包商自己编制的工程量表有漏项或计算错误,所涉及的工程价款被认为已包括在整个合同总价中,因此承包商必须认真复核工程量。参见教材P146。
52.根据《建设工程施工合同(示范文本)》,除专用合同条款另有约定外,按月计量支付的单价合同,监理人应在收到承包人提交的工程量报告后( )天内完成审核并报送发包人。
A.5
B.7
C.10
D.14
【答案】B
【解析】本题考查的是单价合同的计量。监理人应在收到承包人提交的工程量报告后7天内完成对承包人提交的工程量报表的审核并报送发包人,以确定当月实际完成的工程量。参见教材P161。
53.工程量清单中,钻孔桩的桩长一般采用的计量方法是( )。
A.均摊法
B.估价法
C.断面法
D.图纸法
【答案】D
【解析】本题考查的是单价合同的计量。图纸法:在工程量清单中,许多项目都采取按照设计图纸所示的尺寸进行计量。如混凝土构筑物的体积,钻孔桩的桩长等。参见教材P162。
54.某工程原定2019年6月30日竣工,因承包人原因,工程延至2019年10月30日竣工,但在2019年7月因法律法规的变化导致工程造价增加200万,则该工程合同价款的正确处理方法是( )。
A.不予调增
B.调增100万
C.调增150万
D.调增200万
【答案】A
【解析】本题考查的是法律法规变化。因承包人原因导致工期延误的,按上述规定的调整时间,在合同工程原定竣工时间之后,合同价款调增的不予调整,合同价款调减的予以调整。参见教材P164。
55.2019年11月实际完成的某土方工程,按基准日期价格计算的已完成工程量的金额为1000万元,该工程的定值权重为0.2。各可调因子的价格指数除人工费增长20%外,其他均增长了10%,人工费占可调值部分的50%。按价格调整公式计算,该土方工程需调整的价款为( )万元。
A.80
B.120
C.130
D.150
【答案】B
【解析】本题考查的是物价变化。土方工程需调整的价款=1000×(0.2+0.8×0.5×1.2+0.8×0.5×1.1-1)=120(万元)。参见教材P167。
56.某地下工程,计划到5月份累计开挖土方1.2万m³,预算单价为90元/m³。经确认,到5月份实际累计开挖土方1万m³,实际单价为95元/m³,该工程此时的投资偏差为( )万元。
A.-18
B.-5
C.5
D.18
【答案】B
【解析】本题考查的是赢得值法。投资偏差=已完工程预算投资-已完工程实际投资=1×90-1×95=-5(万元)。参见教材P209。
57.下列影响工程进度的因素中,属于组织管理因素的是( )。
A.资金不到位
B.计划安排不周密
C.外单位临近工程施工干扰
D.业主使用要求改变
【答案】B
【解析】本题考查的是影响进度的因素分析。组织管理因素:如向有关部门提出各种申请审批手续的延误;合同签订时遗漏条款、表达失当;计划安排不周密,组织协调不力,导致停工待料、相关作业脱节;领导不力,指挥失当,使参加工程建设的各个单位、各个专业、各个施工过程之间交接、配合上发生矛盾等。选项A属于资金因素;选项C属于社会环境因素;选项D属于业主因素。参见教材P2。
58.监理工程师控制工程进度应采取的技术措施是( )。
A.编制进度控制工作细则
B.建立工程进度报告制度
C.建立进度协调工作制度
D.加强工程进度风险管理
【答案】A
【解析】本题考查的是进度控制的措施和主要任务。进度控制的技术措施主要包括:(1)审查承包商提交的进度计划,使承包商在合理的状态下施工;(2)编制进度控制工作细则,指导监理人员实施进度控制;(3)采用网络计划技术及其他科学适用的计划方法,并结合电子计算机的应用,对建设工程进度实施动态控制。参见教材P3。
59.工程施工阶段进度控制的任务是( )。
A.调查分析环境及施工现场条件
B.编制详细的设计出图计划
C.进行工期目标和进度控制决策
D.编制施工总进度计划
【答案】D
【解析】本题考查的是进度控制的措施和主要任务。施工阶段进度控制的任务:(1)编制施工总进度计划,并控制其执行;(2)编制单位工程施工进度计划,并控制其执行;(3)编制工程年、季、月实施计划,并控制其执行。参见教材P3。
60.建设单位计划系统中,用来明确各种设计文件交付日期、主要设备交货日期、施工单位进场日期、水电及道路接通日期等的计划表是( )。
A.施工总进度计划表
B.投资计划年度平衡表
C.工程项目进度平衡表
D.工程建设总进度计划表
【答案】C
【解析】本题考查的是建设单位的计划系统。工程项目进度平衡表用来明确各种设计文件交付日期、主要设备交货日期、施工单位进场日期、水电及道路接通日期等,以保证工程建设中各个环节相互衔接,确保工程项目按期投产或交付使用。参见教材P7。
61.建设工程采用平行施工方式的特点是( )。
A.充分利用工作面进行施工
B.施工现场组织管理简单
C.专业工作队能够连续施工
D.有利于实现专业化施工
【答案】A
【解析】本题考查的是流水施工方式。平行施工方式具有以下特点:(1)充分地利用工作面进行施工,工期短;(2)如果每一个施工对象均按专业成立工作队,劳动力及施工机具等资源无法均衡使用;(3)如果由一个工作队完成一个施工对象的全部施工任务,则不能实现专业化施工,不利于提高劳动生产率;(4)单位时间内投入的劳动力、施工机具、材料等资源量成倍地增加,不利于资源供应的组织;(5)施工现场的组织管理比较复杂。参见教材P21。
62.下列流水施工参数中,用来表达流水施工在空间布置上开展状态的参数是( )。
A.施工过程和流水强度
B.流水强度和工作面
C.流水段和施工过程
D.工作面和流水段
【答案】D
【解析】本题考查的是流水施工参数及基本组织方式。空间参数是表达流水施工在空间布置上开展状态的参数,通常包括工作面和施工段。参见教材P23。
63.某工程有3个施工过程,分3个施工段组织固定节拍流水施工,流水节拍为2天。各施工过程之间存在2天的工艺间歇时间,则流水施工工期为( )天。
A.10
B.12
C.14
D.16
【答案】C
【解析】本题考查的是固定节拍流水施工。流水施工工期=(3+3-1)×2+2×2=14天。注意题干中是各施工过程之间存在2天间歇时间。参见教材P27。
64.某工程合同工期为13个月,绘制的工程网络计划计算工期为10个月。经综合分析确定的计划工期为11个月,则工程网络计划中关键工作的总时差是( )个月。
A.0
B.1
C.2
D.3
【答案】C
【解析】本题考查的是单代号网络计划时间参数的计算。关键工作的总时差=要求工期-计划工期=13-11=2个月。参见教材P57。
65.某工程双代号网络计划如下图所示,工作E最早完成时间和最迟完成时间分别是( )。
A.6和8
B.6和12
C.7和8
D.7和12
【答案】D
【解析】本题考查的是按工作计算法。关键线路为①→②→⑤→⑦,最早开始时间为max{3+4,2+4,3+4}=7,最迟完成时间为15-3=12。参见教材P47。
66.某工程双代号网络计划如下图所示,工作G的自由时差和总时差分别是( )。
A.0和4
B.4和4
C.5和5
D.5和6
【答案】C
【解析】本题考查的是按工作计算法。关键线路是①→②→③→④→⑦→⑧→⑨和①→②→③→④→⑦→⑨,工作G的完成节点为关键节点,所以其自由时差=总时差=6+10-8-3=5。参见教材P48。
67.某工程双代号时标网络计划如下图所示,图中表明的正确信息是( )。
A.工作D的自由时差为1天
B.工作E的总时差等于自由时差
C.工作F的总时差为1天
D.工作H的总时差为1天
【答案】D
【解析】本题考查的是时标网络计划中时间参数的判定。关键线路是①→④→⑦→⑧→⑨→(12)→(13)。选项A,工作D的自由时差为0天;选项B,工作E的总时差等于1天,自由时差等于0天;选项C,工作F的总时差为0天。参见教材P62。
68.某工程单代号网络计划中,工作E的最早完成时间和最迟完成时间分别是6和8,紧后工作F的最早开始时间和最迟开始时间分别是7和10,工作E和F之间的时间间隔是( )。
A.1
B.2
C.3
D.4
【答案】A
【解析】本题考查的是单代号网络计划时间参数的计算。相邻两项工作之间的时间间隔是指其紧后工作的最早开始时间与本工作最早完成时间的差值。工作E和F之间的时间间隔=7-6=1。参见教材P56。
69.双代号时标网络计划中,波形线表示( )。
A.工作的总时差
B.工作与其紧后工作之间的时间间隔
C.工作的自由时差
D.工作与其紧后工作之间的时距
【答案】B
【解析】本题考查的是时标网络计划的编制方法。双代号时标网络计划中,波形线表示工作与其紧后工作之间的时间间隔(以终点节点为完成节点的工作除外,当计划工期等于计算工期时,这些工作箭线中波形线的水平投影长度表示其自由时差)。参见教材P59。
70.工程网络计划工期优化的基本方法是通过( )来达到优化目标。
A.组织关键工作流水作业
B.组织关键工作平行作业
C.压缩关键工作的持续时间
D.压缩非关键工作的持续时间
【答案】C
【解析】本题考查的是工期优化。工程网络计划工期优化的基本方法是通过压缩关键工作的持续时间来达到优化目标。参见教材P66。
71.下列工作中,属于建设工程进度监测系统过程中工作内容的是( )。
A.分析进度偏差产生的原因
B.分析进度偏差对工期的影响
C.确定工期的限制条件
D.比较实际进度与计划进度
【答案】D
【解析】本题考查的是进度监测的系统过程。进度监测的系统过程包括:(1)进度计划执行中的跟踪检查;(2)实际进度数据的加工处理;(3)实际进度与计划进度的对比分析。选项ABC属于进度调整的系统过程内容。参见教材P90。
72.某工程横道计划如下图所示,图中表明的正确信息是( )。
A.截止检查日期,进度超前
B.前3个月连续施工,进度正常
C.第4个月中断施工,进度拖后
D.前6个月连续施工,进度正常
【答案】A
【解析】本题考查的是横道图比较法。选项B,前3个月未连续施工,进度拖后5%;选项C,第4个月中断施工,当月实际进度与计划进度一致均为10%;选项D,前6个月未连续施工,进度正常。参见教材P94。
73.工程网络计划中,某工作的总时差和自由时差均为2周。计划实施过程中经检查发现,该工作实际进度拖后1周。则该工作实际进度偏差对后续工作及总工期的影响是( )。
A.对后续工作及总工期均有影响
B.对后续工作及总工期均无影响
C.影响后续工作,但不影响总工期
D.影响总工期,但不影响后续工作
【答案】B
【解析】本题考查的是分析进度偏差对后续工作及总工期的影响。工作的总时差和自由时差均为2周,该工作实际进度拖后1周未超过总时差和自由时差,所以对后续工作及总工期均无影响。参见教材P103。
74.工程网络计划实施中,因实际进度拖后而需要通过压缩某些工作的持续时间来调整计划时,应选择( )的工作压缩其持续时间。
A.持续时间最长
B.自由时差最小
C.总时差最小
D.时间间隔最大
【答案】C
【解析】本题考查的是工期优化。网络计划工期优化的基本方法是在不改变网络计划中各项工作之间逻辑关系的前提下,通过压缩关键工作的持续时间来达到优化目标。参见教材P66。
75.建筑工程管理(CM)方法是指工程实施采用( )的生产组织方式。
A.敏捷作业
B.关键路径
C.精益作业
D.快速路径
【答案】D
【解析】本题考查的是建筑工程管理方法。CM的基本指导思想是缩短工程项目的建设周期,它采用快速路径(Fast-Track)的生产组织方式,特别适用于那些实施周期长、工期要求紧迫的大型复杂建设工程。参见教材P115。
76.监理工程师编制的施工进度控制工作细则,可看作是开展工程监理工作的( )。
A.施工图设计
B.初步设计
C.总体性设计
D.方案设计
【答案】A
【解析】本题考查的是建设工程施工进度控制工作内容。施工进度控制工作细则是对建设工程监理规划中有关进度控制内容的进一步深化和补充。如果将建设工程监理规划比作开展监理工作的“初步设计”,施工进度控制工作细则就可以看成是开展建设工程监理工作的“施工图设计”,它对监理工程师的进度控制实务工作起着具体的指导作用。参见教材P120。
77.监理工程师控制工程施工进度需进行的工作是( )。
A.汇总整理工程技术资料
B.及时支付工程进度款
C.编制或审核施工进度计划
D.编制工期索赔意向报告
【答案】C
【解析】本题考查的是建设工程施工进度控制工作内容。“编制或审核施工进度计划”,为了保证建设工程的施工任务按期完成,监理工程师必须审核承包单位提交的施工进度计划。对于大型建设工程,由于单位工程较多、施工工期长,且采取分期分批发包又没有一个负责全部工程的总承包单位时,就需要监理工程师编制施工总进度计划;或者当建设工程由若干个承包单位平行承包时,监理工程师也有必要编制施工总进度计划。参见教材P120。
78.监理工程师在审批工程延期时间时,应根据( )来确定是否批准。
A.工程延误时间
B.合同规定
C.承包单位赶工费用
D.建设单位要求
【答案】B
【解析】本题考查的是建设工程施工进度控制工作内容。如果由于承包单位以外的原因造成工期拖延,承包单位有权提出延长工期的申请。监理工程师应根据合同规定,审批工程延期时间。参见教材P122。
79.为了达到调整施工进度计划的目的,可采用的技术措施是( )。
A.采用更先进的施工机械
B.增加工作面
C.实施强有力的调度
D.增加施工队伍
【答案】A
【解析】本题考查的是施工进度计划的调整。技术措施有:(1)改进施工工艺和施工技术,缩短工艺技术间歇时间;(2)采用更先进的施工方法,以减少施工过程的数量(如将现浇框架方案改为预制装配方案);(3)采用更先进的施工机械。参见教材P132。
80.监理工程师在协助业主进行物资供应决策时,应进行的工作是( )。
A.编制物资供应招标文件
B.提出物资供应分包方式
C.确定物资供应单位
D.签订物资供应合同
【答案】B
【解析】本题考查的是物资供应进度控制的工作内容。监理工程师协助业主进行物资供应决策的主要工作有:(1)根据设计图纸和进度计划确定物资供应要求;(2)提出物资供应分包方式及分包合同清单,并获得业主认可;(3)与业主协商提出对物资供应单位的要求以及在财务方面应负的责任。参见教材P144。
二、多项选择题(共40题,每题2分。每题的备选项中,有2个或2个以上符合题意,至少有1个错项。错选,本题不得分;少选,所选的每个选项得0.5分)
81.根据《房屋建筑和市政基础设施工程质量监督管理规定》,建设行政主管部门对工程实体质量监督的内容有( )。
A.抽查施工单位完成施工质量的行为
B.抽查涉及工程主体结构安全的工程实体质量
C.抽查涉及主要使用功能的工程实体质量
D.抽查主要建筑材料和建筑构配件质量
E.对工程竣工验收进行监督
【答案】BCDE
【解析】本题考查的是工程质量管理主要制度。工程质量监督管理包括下列内容:(1)执行法律法规和工程建设强制性标准的情况;(2)抽查涉及工程主体结构安全和主要使用功能的工程实体质量;(3)抽查工程质量责任主体(建设、勘察、设计、施工和监理单位)和质量检测等单位的工程质量行为;(4)抽查主要建筑材料、建筑构配件的质量;(5)对工程竣工验收进行监督;(6)组织或者参与工程质量事故的调查处理;(7)定期对本地区工程质量状况进行统计分析;(8)依法对违法违规行为实施处罚。参见教材P7。
82.建设工程保修期内出现的质量问题,不属于施工单位保修责任的有( )。
A.建设单位负责采购的给排水管道破裂
B.分包单位完成的屋面防水工程出现渗漏
C.建设单位使用不当造成的质量缺陷
D.运输公司货车撞裂建筑墙体
E.不可抗力造成的质量缺陷
【答案】CDE
【解析】本题考查的是工程质量管理主要制度。下列情况不属于规定的施工单位保修范围:(1)因使用不当或者第三方造成的质量缺陷;(2)不可抗力造成的质量缺陷。参见教材P10。
83.ISO质量管理体系中,领导作用的基本内容有( )。
A.确定质量方针、目标
B.形成内部环境
C.识别相关方关系
D.建立PDCA循环
E.建立管理评审机制
【答案】ABE
【解析】本题考查的是ISO质量管理体系的质量管理原则及特征。领导作用的基本内容包括:(1)确定质量方针、质量目标;(2)建立组织的发展前景;(3)形成内部环境;(4)确立组织结构、职责权限和相互关系;(5)提供所需资源;(6)培训教育,人才资源;(7)管理评审。参见教材P20~21。
84.在卓越绩效模式中,为了实现质量对组织绩效的增值作用,需要关注的要素有( )。
A.标准化导向
B.符合性评审
C.质量管理与质量经营的系统融合
D.促进组织效率最大化
E.促进顾客价值最大化
【答案】CDE
【解析】本题考查的是卓越绩效模式的基本特征和核心价值观。强调质量对组织绩效的增值和贡献:《卓越绩效评价准则》中的质量,是组织的一种系统运营的全面质量。它关注质量和绩效、质量管理与质量经营的系统整合,促进组织效率最大化和顾客价值最大化。参见教材P48。
85.采用排列图法分析工程质量影响因素时,可将影响因素分为( )。
A.偶然因素
B.主要因素
C.系统因素
D.次要因素
E.一般因素
【答案】BDE
【解析】本题考查的是工程质量统计分析方法。排列图在实际应用中,通常按累计频率划分为(0%~80%)、(80%~90%)、(90%~100%)三部分,与其对应的影响因素分别为A、B、C三类。A类为主要因素,B类为次要因素,C类为一般因素。参见教材P67。
86.进行砌体结构实体质量检测时,需要进行的强度检测有( )。
A.砌筑块材强度
B.砌筑砂浆强度
C.砌体结构变形
D.砌块材料强度
E.砌体强度
【答案】ABE
【解析】本题考查的是实体检测。砌体结构的强度检测可分为砌筑块材强度、砌筑砂浆强度、砌体强度等项目,各项目的检测方法操作应遵守相关检测技术标准。参见教材P91。
87.钢结构工程的焊缝质量无损检测,应满足的要求有( )。
A.一级焊缝应100%检验
B.特殊焊缝应进行不小于85%比例的抽检
C.四级焊缝应进行不小于60%比例的抽检
D.二级焊缝应进行不小于20%比例的抽检
E.一般情况下,三级焊缝可不进行抽检
【答案】ADE
【解析】本题考查的是实体检测。对设计上要求全焊透的一、二级焊缝和设计上没有要求的钢材等强对焊拼接焊缝的质量,可采用超声波探伤的方法检测,其检测设备和工艺要求应符合现行国家标准《焊缝无损检测超声检测技术、检测等级和评定》GB/T11345的有关规定。
(1)一级焊缝应100%检验,其合格等级不应低于现行国家标准《焊缝无损检测超声检测技术、检测等级和评定》GB/T11345B级检验的Ⅱ级要求。
(2)二级焊缝应进行抽验,抽验比例不小于20%,其合格等级不应低于现行国家标准《焊缝无损检测超声检测技术、检测等级和评定》GB/T11345和行业标准的相关规定。
(3)三级焊缝应根据设计要求进行相关的检测,一般情况下可不进行无损检测。参见教材P90。
88.初步设计阶段,项目监理机构开展质量管理相关服务的工作内容有( )。
A.协助起草设计任务书
B.协助组织专项技术论证
C.协助组织设计成果审查
D.协助项目设计报审
E.协助起草设计文件
【答案】ABCD
【解析】本题考查的是初步设计质量管理。工程初步设计质量管理服务的主要工作内容如下:(1)设计单位选择。(2)起草设计任务书。(3)起草设计合同。(4)质量管理的组织:协助建设单位组织对新材料、新工艺、新技术、新设备工程应用的专项技术论证与调研;协助建设单位组织专家对设计成果进行评审;协助建设单位向政府有关部门报审有关工程设计文件,并应根据审批意见督促设计单位完善设计成果。(5)设计成果审查。参见教材P98。
89.工程质量事故处理方案的辅助决策方法有( )。
A.试验验证法
B.定期观测法
C.专家论证法
D.头脑风暴法
E.线性规划法
【答案】ABC
【解析】本题考查的是工程质量事故处理。可采取的选择工程质量事故处理方案的辅助决策方法包括:(1)试验验证;(2)定期观测;(3)专家论证;(4)方案比较。参见教材P195。
90.项目监理机构对施工组织设计的审查内容有( )。
A.施工总平面布置
B.施工进度安排
C.施工方案
D.生产安全事故应急预案
E.分包单位的类似工程业绩
【答案】AB
【解析】本题考查的是施工组织设计的审查。施工组织设计审查应包括下列内容:(1)编审程序应符合相关规定;(2)施工组织设计的基本内容是否完整,应包括编制依据、工程概况、施工部署、施工进度计划、施工准备与资源配置计划、主要施工方法、施工现场平面布置及主要施工管理计划等;(3)工程进度、质量、安全、环境保护、造价等方面应符合施工合同要求;(4)资金、劳动力、材料、设备等资源供应计划应满足工程施工需要,施工方法及技术措施应可行与可靠;(5)施工总平面布置应科学合理。选项C、D属于施工方案审查的内容,选项E属于现场施工准备的质量控制内容。参见教材P110。
91.项目监理机构对混凝土预制构件型式检验报告的审核内容有( )。
A.运输路线
B.外观质量
C.尺寸偏差
D.卸车条件
E.混凝土抗压强度
【答案】BCE
【解析】本题考查的是装配式建筑PC构件施工质量控制。预制构件型式检验报告。除工程概况、检测鉴定内容和依据外,重点审查各项检测指标与鉴定结论是否满足设计及规范要求,包括:(1)外观质量;(2)尺寸偏差;(3)钢筋保护层厚度;(4)混凝土抗压强度;(5)放射性核素限量。参见教材P137。
92.对危险性较大的分部分项工程资料,项目监理机构应纳入档案管理的有( )。
A.专项施工方案审查文件
B.监理实施细则
C.专项巡视检查资料
D.工程验收及整改资料
E.工程技术交底记录
【答案】ABCD
【解析】本题考查的是现场安全管理。应当将监理实施细则、专项施工方案审查、专项巡视检查、验收及整改等相关资料纳入档案管理。参见教材P152。
93.当分部工程规模较大或较复杂时,可按( )将分部工程划分为若干个子分部工程。
A.材料种类
B.施工特点
C.工程部位
D.专业系统
E.质量要求
【答案】ABD
【解析】本题考查的是建筑工程施工质量验收层次划分原则。当分部工程较大或较复杂时,可按材料种类、施工特点、施工程序、专业系统及类别将分部工程划分为若干子分部工程。参见教材P156。
94.总监理工程师组织主体结构分部工程验收时,应参加验收的人员有( )。
A.设计单位项目负责人
B.勘察单位项目负责人
C.施工单位技术质量部门负责人
D.施工单位项目负责人
E.建设单位项目负责人
【答案】ACD
【解析】本题考查的是建筑工程施工质量验收程序和合格规定。设计单位项目负责人和施工单位技术、质量部门负责人应参加主体结构、节能分部工程的验收。参见教材P166。
95.单位工程竣工验收时需要核查的安全和功能检验资料中,属于“建筑与结构”部分的项目有( )。
A.桩基承载力检测报告
B.节能保温测试记录
C.给水管道通水试验记录
D.沉降观测测量记录
E.混凝土强度试验报告
【答案】ABDE
【解析】本题考查的是建筑工程施工质量验收程序和合格规定。选项C属于给水排水与供暖。参见教材P177。
96.监理单位向建设单位提交的质量事故处理报告中应包括的内容有( )。
A.质量事故的工程部位
B.事故发生的原因
C.事故的责任人及其责任
D.事故处理的过程
E.事故处理的结果
【答案】ABDE
【解析】本题考查的是工程质量事故处理。质量事故书面报告应包括如下内容:(1)工程及各参建单位名称;(2)质量事故发生的时间、地点、工程部位;(3)事故发生的简要经过、造成工程损伤状况、伤亡人数和直接经济损失的初步估计;(4)事故发生原因的初步判断;(5)事故发生后采取的措施及处理方案;(6)事故处理的过程及结果。参见教材P193。
97.项目监理机构处理施工单位提出的工程变更费用时,正确的做法有( )。
A.自主评估工程变更费用
B.组织建设单位、施工单位协商确定工程变更费用
C.根据工程变更引起的费用和工期变化变更施工合同
D.变更实施前,与建设单位、施工单位协商确定工程变更的计价原则、方法
E.建设单位与施工单位未能就工程变更费用达成协议时,自主确定一个价格作为最终结算的依据
【答案】BD
【解析】本题考查的是我国项目监理机构在建设工程投资控制中的主要任务。处理施工单位提出的工程变更费用:(1)总监理工程师组织专业监理工程师对工程变更费用及工期影响做出评估。(2)总监理工程师组织建设单位、施工单位等共同协商确定工程变更费用及工期变化,会签工程变更单。(3)项目监理机构可在工程变更实施前与建设单位、施工单位等协商确定工程变更的计价原则、计价方法或价款。(4)建设单位与施工单位未能就工程变更费用达成协议时,项目监理机构可提出一个暂定价格并经建设单位同意,作为临时支付工程款的依据。工程变更款项最终结算时,应以建设单位与施工单位达成的协议为依据。参见教材P9。
98.下列费用中,属于建筑安装工程措施项目费的有( )。
A.建筑工人实名制管理费
B.大型机械进出场及安拆费
C.建筑材料鉴定、检查费
D.工程定位复测费
E.施工单位临时设施费
【答案】ABDE
【解析】本题考查的是按造价形成划分的建筑安装工程费用项目组成。选项C属于企业管理费中的检验试验费。参见教材P18。
99.下列费用中,属于引进技术和进口设备其他费的有( )。
A.单台设备调试费用
B.进口设备检验鉴定费用
C.设备无负荷联动试运转费用
D.国外工程技术人员来华费用
E.生产职工培训费用
【答案】BD
【解析】本题考查的是工程建设其他费用。引进技术及进口设备其他费用,包括出国人员费用、国外工程技术人员来华费用、技术引进费、分期或延期付款利息、担保费以及进口设备检验鉴定费。选项AC属于设备安装工程费;选项E属于生产准备费。参见教材P34。
100.相比其他债务资金筹措渠道与方式,债券筹资的优点有( )。
A.保障股东控制权
B.发挥财务杠杆作用
C.便于调整资本结构
D.经营灵活性高
E.筹资成本较低
【答案】ABCE
【解析】本题考查的是项目资金筹措渠道和方式。债券筹资的优点:(1)筹资成本较低。(2)保障股东控制权。(3)发挥财务杠杆作用。(4)便于调整资本结构。参见教材P45。
101.某具有常规现金流量的投资项目,建设期2年,计算期12年,总投资1800万元,投产后净现金流量如下表。项目基准收益率为8%,基准动态投资回收期为7年,财务净现值为150万元,关于该项目财务分析的说法,正确的有( )。
年份 | 3 | 4 | 5 | 6 | 7 | ... | 12 |
净现金流量(万元) | 200 | 400 | 400 | 400 | 400 | ... | ... |
A.项目内部收益率小于8%
B.项目静态投资回收期为7年
C.用动态投资回收期评价,项目不可行
D.计算期第5年投资利润率为22.2%
E.项目动态投资回收期小于12年
【答案】BCE
【解析】本题考查的是财务分析主要指标的计算。选项A错误,项目基准收益率为8%时计算的财务净现值为150万元,根据下图得知,净现值为0时的内部收益率要大于净现值为正值时的收益率,即大于8%;选项B正确,根据各年的净现金流量,累加到第7年的净现金流量=-1800+200+400+400+400+400=0,所以静态投资回收期为7年。选项C正确,同一项目的静态投资回收期必然大于动态投资回收期,所以该项目的动态投资回收期>7,同时也大于基准动态投资回收期(7年),则该项目不可行。选项D错误,投资利润率=年净收益/投资总额,而净收益的计算需涉及折旧和摊销,题目中并未给出相关数据,所以投资利润率无法计算。选项E正确,动态投资回收期是项目累计现值等于零时的时间,第12年时净现值已经达到150万元,说明在12年之前就已经出现了动态回收期,所以项目动态投资回收期小于12年。参见教材P87。
102.关于项目财务分析和经济分析关系的说法,正确的有( )。
A.财务分析的数据资料是经济分析的基础
B.两种分析所站立场和角度相同
C.两种分析的内容和方法相同
D.两种分析的依据和分析结论的时效性不同
E.两种分析计量费用和效益的价格尺度不同
【答案】ADE
【解析】本题考查的是项目经济分析。经济分析和财务分析的联系和区别。联系:(1)财务分析是经济分析的基础;(2)大型项目中,经济分析是财务分析的前提。区别:(1)出发点和目的不同;(2)费用和效益的组成不同;(3)分析对象不同;(4)计量费用与效益的价格尺度不同;(5)分析内容和方法不同;(6)采用的评价标准和参数不同;(7)分析时效性不同。参见教材P91。
103.政府投资项目概算批准后,允许调整概算的情形有( )。
A.原设计范围内,提高建设标准引起的费用增加
B.超出原设计范围的重大变更
C.建设单位提出设计变更引起的费用增加
D.设计文件重大差错引起的工程费用增加
E.超出涨价预备费的国家重大政策性调整
【答案】BE
【解析】本题考查的是设计概算的审查。允许调整概算的原因有:(1)超出原设计范围的重大变更;(2)超出基本预备费规定范围不可抗拒的重大自然灾害引起的工程变动和费用增加;(3)超出工程造价调整预备费的国家重大政策性的调整。参见教材P118。
104.采用工程量清单计价的招标工程,投标人必须按招标文件中提供的数据或政府主管部门规定的标准计算报价的有( )。
A.总承包服务费
B.以“项”为单位计价的措施项目
C.安全文明施工费
D.提供了暂估价的工程设备
E.暂列金额
【答案】CDE
【解析】本题考查的是投标报价审核方法。选项C,措施项目中的安全文明施工费应按照国家或省级、行业建设主管部门的规定计算,不作为竞争性费用。选项D,暂估价不得变动和更改。选项E,暂列金额应按照招标工程量清单中列出的金额填写,不得变动。参见教材P142。
105.固定单价合同发包人承担的风险有( )。
A.通货膨胀导致施工工料成本变动
B.工程范围变更引起的工程量变化
C.实际完成的工程量与估计工程量的差异
D.设计变更导致的已完成工程拆除工程量
E.承包人赶工引发质量问题的处理费用
【答案】BCD
【解析】本题考查的是合同计价方式。单价合同的执行原则是,单价合同的工程量清单内所列出的分部分项工程的工程量为估计工程量,而非准确工程量,工程量在合同实施过程中允许有上下的浮动变化,但分部分项工程的合同单价却不变,结算支付时以实际完成工程量为依据。参见教材P147。
106.根据《标准施工招标文件》,发包人应给予承包人工期和费用补偿,但不包括利润的情形有( )。
A.施工过程中发现文物
B.发包人提供的材料不符合合同要求
C.异常恶劣的气候条件
D.承包人遇到难以合理预见的不利物质条件
E.监理人对隐蔽工程重新检查证明工程质量符合合同要求
【答案】AD
【解析】本题考查的是索赔的主要类型。选项B,发包人应给予承包人工期、费用和利润补偿;选项C,发包人应给予承包人工期补偿,选项E,发包人应给予承包人工期、费用和利润补偿。参见教材P182~183。
107.根据2017版FIDIC《施工合同条件》,业主应给予承包商工期、费用和利润补偿的情形有( )。
A.例外事件
B.当地政府造成的延误
C.业主原因暂停工程
D.非承包商责任的修补工作
E.因法律变化
【答案】CD
【解析】本题考查的是索赔的主要类型。选项A错误,例外事件的后果只能索赔工期和费用;选项B错误,当局造成的延误只能索赔工期;选项E错误,因法律变化只索赔工期和费用。参见教材P183。
108.下列关于质量保证金的说法,正确的有( )。
A.质量保证金预留的总额不得高于工程价款结算总额的6%
B.工程竣工前承包人已提供履约担保的,发包人不得同时预留工程质量保证金
C.质量保证金原则上采用保函方式
D.质量保证金可以在工程竣工结算时一次性扣留
E.质量保证金可以在支付工程进度款时逐次扣留
【答案】BCDE
【解析】本题考查的是质量保证金。选项A错误,质量保证金预留总额不得高于工程价款结算总额的3%。参见教材P204。
109.与横道计划相比,工程网络计划的优点有( )。
A.能够直观表示各项工作的进度安排
B.能够明确表达各项工作之间的逻辑关系
C.可以明确各项工作的机动时间
D.可以找出关键线路和关键工作
E.可以直观表达各项工作之间的搭接关系
【答案】BCD
【解析】本题考查的是建设工程进度计划的表示方法。与横道计划相比,网络计划具有以下主要特点:(1)网络计划能够明确表达各项工作之间的逻辑关系;(2)通过网络计划时间参数的计算,可以找出关键线路和关键工作;(3)通过网络计划时间参数的计算,可以明确各项工作的机动时间;(4)网络计划可以利用电子计算机进行计算、优化和调整。参见教材P14。
110.建设工程组织流水施工时,划分施工段的原则有( )。
A.每个施工段要有足够工作面
B.施工段数要满足合理组织流水施工要求
C.施工段界限要尽可能与结构界限相吻合
D.同一专业工作队在不同施工段的劳动量必须相等
E.施工段必须在同一平面内划分
【答案】ABC
【解析】本题考查的是流水施工参数及基本组织方式。为使施工段划分得合理,一般应遵循下列原则:(1)同一专业工作队在各个施工段上的劳动量应大致相等,相差幅度不宜超过10%~15%;(2)每个施工段内要有足够的工作面,以保证相应数量的工人、主要施工机械的生产效率,满足合理劳动组织的要求;(3)施工段的界限应尽可能与结构界限(如沉降缝、伸缩缝等)相吻合,或设在对建筑结构整体性影响小的部位,以保证建筑结构的整体性;(4)施工段的数目要满足合理组织流水施工的要求;(5)对于多层建筑物、构筑物或需要分层施工的工程,应既分施工段,又分施工层,各专业工作队依次完成第一施工层中各施工段任务后,再转入第二施工层的施工段上作业,依此类推。以确保相应专业队在施工段与施工层之间,组织连续、均衡、有节奏地流水施工。参见教材P24。
111.建设工程组织固定节拍流水施工的特点有( )。
A.专业工作队数等于施工过程数
B.施工过程数等于施工段数
C.各施工段上的流水节拍相等
D.有的施工段之间可能有空闲时间
E.相邻施工过程之间的流水步距相等
【答案】ACE
【解析】本题考查的是固定节拍流水施工。固定节拍流水施工是一种最理想的流水施工方式,其特点如下:(1)所有施工过程在各个施工段上的流水节拍均相等;(2)相邻施工过程的流水步距相等,且等于流水节拍;(3)专业工作队数等于施工过程数,即每一个施工过程成立一个专业工作队,由该队完成相应施工过程所有施工段上的任务;(4)各个专业工作队在各施工段上能够连续作业,施工段之间没有空闲时间。参见教材P27。
112.某工程双代号网络计划如下图所示,图中出现的错误有( )。
A.多个起点节点
B.多个终点节点
C.存在循环回路
D.箭线上引出箭线
E.存在无箭头的工作
【答案】ABD
【解析】本题考查的是双代号网络图的绘制。选项A,节点①、⑤都是起点节点;选项B,节点④、⑨都是终点节点;选项D,箭线⑥-⑨引出了指向节点⑧的箭头。参见教材P39。
113.某工程双代号网络计划如下图所示,图中表明的正确信息有( )。
A.工作①→③的总时差等于自由时差
B.工作①→④的总时差等于自由时差
C.工作②→⑤的自由时差为零
D.工作⑤→⑦为关键工作
E.工作⑥→⑦为关键工作
【答案】ACE
【解析】本题考查的是按工作计算法。关键线路为①→②→③→⑥→⑦。选项A,工作①→③的总时差=自由时差=3。选项B,工作①→④的自由时差为0,总时差为6。选项C,工作②→⑤的自由时差为0。选项D,工作⑤→⑦为非关键工作。选项E,工作⑥→⑦为关键工作。参见教材P50。
114.双代号网络计划中,关于关键节点的说法,正确的有( )。
A.以关键节点为完成节点的工作必为关键工作
B.两端为关键节点的工作不一定是关键工作
C.关键节点必然处于关键线路上
D.关键节点的最迟时间与最早时间的差值最小
E.由关键节点组成的线路不一定是关键线路
【答案】BCDE
【解析】本题考查的是节点法。在双代号网络计划中,关键线路上的节点称为关键节点。选项A,关键工作两端的节点必为关键节点,但两端为关键节点的工作不一定是关键工作。参见教材P53。
115.工程网络计划优化的目的有( )。
A.使计算工期满足要求工期
B.按要求工期寻求资源需用量最小的计划安排
C.工期不变条件下资源强度最小
D.寻求工程总成本最低时的工期安排
E.工期不变条件下资源需用量尽可能均衡
【答案】ADE
【解析】本题考查的是工期优化。选项A正确,工期优化,是指网络计划的计算工期不满足要求工期时,通过压缩关键工作的持续时间以满足要求工期目标的过程。选项D正确,费用优化又称工期成本优化,是指寻求工程总成本最低时的工期安排,或按要求工期寻求最低成本的计划安排的过程。选项E正确,网络计划的资源优化分为两种,即“资源有限,工期最短”的优化和“工期固定,资源均衡”的优化。前者是通过调整计划安排,在满足资源限制条件下,使工期延长最少的过程;而后者是通过调整计划安排,在工期保持不变的条件下,使资源需用量尽可能均衡的过程。参见教材P66~76。
116.采用S曲线比较法比较工程实际进度与计划进度时,可获得的信息有( )。
A.工程实际拥有的总时差
B.工程实际进展情况
C.工程实际进度超前或拖后的时间
D.工程实际超额或拖欠完成的任务量
E.后期工程进度预测值
【答案】BCDE
【解析】本题考查的是S曲线比较法。通过比较实际进度S曲线和计划进度S曲线,可以获得如下信息:(1)工程项目实际进展状况。(2)工程项目实际进度超前或拖后的时间在S曲线比较图中可以直接读出实际进度比计划进度超前或拖后的时间。(3)工程项目实际超额或拖欠的任务量在S曲线比较图中也可直接读出实际进度比计划进度超额或拖欠的任务量。(4)后期工程进度预测。参见教材P97。
117.某工程进度计划执行到第6月底和第9月底绘制的实际进度前锋线如下图所示,图中表明的正确信息有( )。
A.工作F在第6月底检查时拖后1个月,不影响工期.
B.工作G在第6月底检查时进度正常,不影响工期
C.工作H在第6月底检查时拖后1个月,不影响工期
D.工作I在第9月底检查时拖后1个月,不影响工期
E.工作K在第9月底检查时拖后2个月,影响工期1个月
【答案】ABDE
【解析】本题考查的是前锋线比较法。关键线路为C→E→H→J→L。选项A,6月底检查时,工作F拖延1个月,但其总时差为1个月,所以不影响总工期。选项B,6月底检查时,工作G施工正常,不影响总工期。选项C,6月底检查时,工作H拖延1个月,但其总工期为0,所以影响总工期1个月。选项D,9月底检查时,工作I拖延1个月,但其总时差为1个月,所以不影响总工期。选项E,9月底检查时,工作K拖延2个月,但其总时差为1个月,所以影响总工期1个月。参见教材P101。
118.工程网络计划执行过程中,因工作实际进度拖后而需要调整工程进度计划时,可采用的调整方法有( )。
A.调整某工作的工艺关系
B.将某些顺序作业的工作改为平行作业
C.将某些顺序作业的工作改为搭接作业
D.将某些平行作业的工作改为搭接作业
E.将某些平行作业的工作改为分段组织流水作业
【答案】BC
【解析】本题考查的是进度计划的调整方法。当工程项目实施中产生的进度偏差影响到总工期,且有关工作的逻辑关系允许改变时,可以改变关键线路和超过计划工期的非关键线路上的有关工作之间的逻辑关系,达到缩短工期的目的。例如,将顺序进行的工作改为平行作业、搭接作业以及分段组织流水作业等,都可以有效地缩短工期。参见教材P104。
119.确定建设工程施工进度分解目标时,需考虑( )。
A.合理安排土建与设备的综合施工
B.尽早提供可动用单元
C.同类工程建设经验
D.承包单位控制能力
E.外部协作条件配合情况
【答案】ABCE
【解析】本题考查的是施工进度控制目标的确定。在确定施工进度分解目标时,还要考虑以下各个方面:(1)对于大型建设工程项目,应根据尽早提供可动用单元的原则,集中力分期分批建设,以便尽早投入使用,尽快发挥投资效益;(2)合理安排土建与设备的综合施工;(3)结合本工程的特点,参考同类建设工程的经验来确定施工进度目标;(4)做好资金供应能力、施工力量配备、物资(材料、构配件、设备)供应能力与施工进度的平衡工作,确保工程进度目标的要求而不使其落空;(5)考虑外部协作条件的配合情况;(6)考虑工程项目所在地区地形、地质、水文、气象等方面的限制条件。参见教材P118。
120.监理工程师审核物资供应计划的内容有( )。
A.物资生产工人是否足额配置
B.物资库存量安排是否经济合理
C.物资采购时间安排是否经济合理
D.物资供应计划与施工进度计划的匹配性
E.物资供应紧张使施工进度拖后的可能性
【答案】BCE
【解析】本题考查的是物资供应进度控制的工作内容。物资供应计划审核的主要内容包括:(1)供应计划是否能按建设工程施工进度计划的需要及时供应材料和设备;(2)物资的库存量安排是否经济、合理;(3)物资采购安排在时间上和数量上是否经济、合理;(4)由于物资供应紧张或不足而使施工进度拖延现象发生的可能性。参见教材P145。














![[em2_01]](https://live.cdeledu.com/web/images/emoji/01.png)
![[em2_02]](https://live.cdeledu.com/web/images/emoji/02.png)
![[em2_03]](https://live.cdeledu.com/web/images/emoji/03.png)
![[em2_04]](https://live.cdeledu.com/web/images/emoji/04.png)
![[em2_05]](https://live.cdeledu.com/web/images/emoji/05.png)
![[em2_06]](https://live.cdeledu.com/web/images/emoji/06.png)
![[em2_07]](https://live.cdeledu.com/web/images/emoji/07.png)
![[em2_08]](https://live.cdeledu.com/web/images/emoji/08.png)
![[em2_09]](https://live.cdeledu.com/web/images/emoji/09.png)
![[em2_10]](https://live.cdeledu.com/web/images/emoji/10.png)
![[em2_11]](https://live.cdeledu.com/web/images/emoji/11.png)
![[em2_12]](https://live.cdeledu.com/web/images/emoji/12.png)
![[em2_13]](https://live.cdeledu.com/web/images/emoji/13.png)
![[em2_14]](https://live.cdeledu.com/web/images/emoji/14.png)
![[em2_15]](https://live.cdeledu.com/web/images/emoji/15.png)
![[em2_16]](https://live.cdeledu.com/web/images/emoji/16.png)
![[em2_17]](https://live.cdeledu.com/web/images/emoji/17.png)
![[em2_18]](https://live.cdeledu.com/web/images/emoji/18.png)
![[em2_19]](https://live.cdeledu.com/web/images/emoji/19.png)
![[em2_20]](https://live.cdeledu.com/web/images/emoji/20.png)






扫一扫立即下载
扫码添加老师