关于我们

在线客服

帮助

24小时客服:010-82326699 400-810-5999

建设工程教育网 > 专业资料 > 施工组织 > 施工资料 > 正文

通信机房调设计几个问题探讨

2008-03-24 14:08    【  【打印】【我要纠错】

  根据调查除大型通信枢纽机楼及个别小型接入网机房为独立机楼外,大多通信机房通常为通信与民用合用建筑中的一层或两层,。通信机房空调一般由民用工程在建设过程中一起设计并施工,有的由施工单位设计并施工,由于施工单位对通信工程缺乏深刻了解往往给使用和维护带来很大的麻烦。下面就现有实际工程结合通信工程的具体特点提出对通信工程空调设计的具体看法。

  某大厦通信机房位于十八层及十九层,设计采用半集中式空调系统,采用集中冷水供冷加风机盘管方式,制冷机房设于地下室。十八层MDCN机房原来设计采用两台广州约克YSE-50冷水柜机(制冷量为50.5KW),随着机房设备的扩容,原来空调设备已经不能满足一用一备要求,使用中不得不开启两台空调机对机房进行供冷,使用中如一台设备故障必须在半小时之内完成设备维修,以保通信设备正常运行,最后决定进行更换。但是更换也带来了一定麻烦,由于通信机房发热量大,为保证通信设备正常运行,通信不中断,更换过程中不得不安装临时分体空调以满足通信设备正常运行的环境要求。所以,更换工作量相当大。而在实际使用过程中,使用单位反映问题也比较多。由于通信机房发热量大,且空调机房较少靠近接着外区,同时为保证通信机房的洁净度、湿度要求,设计上也较少采用全新风系统供冷。因为在雨天采用全新风供冷会造成机房湿度偏大,送风湿度大容易使设备产生凝露。(注:设备间的温度、湿度和尘埃对微电子设备的运行及使用寿命有很大的影响。过高的室温会使元件失效率急剧下降;过低的室温又会使磁介质等发脆,容易断裂;温度的波动会产生“电噪声”,使微电子不能正常运行。相对湿度过低,容易产生静电,对微电子设备造成干扰;相对湿度过高会使微电子设备内部焊点和插座的接触电阻增大;尘埃或纤维性颗粒积聚,微生物的作用会使导线被腐蚀断掉。设计一般不采用全新风供冷。)即使冬季室外温度在10~12℃,也得开启空调制冷系统。由于冬季室外温度低冷却水温度也较低对冷水机组的运行相当不利。另外,由于开启了冷水机组,冷冻水泵、冷却水泵、冷却塔也运行,冷却水泵功率为37KW、冷冻水泵功率为45KW ,系统运行费用相当高。众所周知冷却水系统、冷冻水运行中会产生结垢现象导致冷水机组效率下降,而系统清洗及更换冷冻水必须4~5小时才能完成,在冬季停机0.5小时机房有时就会出现温度告警,使水系统保养不得不一边开机一边排水,以至于更换水时间延长,从而造成能源的巨大浪费。对管理带来更大麻烦的是,由于系统使用时间已经有5~6年,有的阀门已老化,关闭不严密。根据使用单位管理人员介绍,如天面冷却塔阀门坏了,还好他们一般选择在冬天较冷天气更换,至于冷冻水阀门坏根本没有办法更换。至于个别楼层如果该层总阀门有内漏现象,此层系统如需改造根本就不可能进行,管理上带来了很大的麻烦。另外笔者通过对其他采用独立机组并采用冷却水系统的机组调查,也发现在不同程度上水质保养对机房管理也带来不同程度的麻烦。通过以上事例结合对通信机房的设计经验,笔者认为通信机房空调设备选型应符合运行可靠、经济、节能、灵活、管理方便的原则,空调冷冻设备宜采用自带制冷系统并采用风冷凝器空调机,并考虑备用机组,对采用大厦有供冷冻水时机组可附加冷水盘管,大厦有冷冻水供应时采用冷冻水,其他时间自动切换到独立供冷。

  对于送风方式问题早期NEC设备、贝尔设备均要求采用下送风形式,根据使用情况,下送风形式对开始安装设备起到较好的效果。也符合设计规范中对设备布置密度大、设备发热量大的机房宜采用活动地板下送风上回风的方式。实际使用中由于设备经常扩容,而且有的设备线路较多,静电地板高度一般只有300~350mm,由于线路多,好多空间已被线路占用造成送风通路狭小,造成设备送风不足从而影响设备散热,同时也造成机组送风阻力大而影响机组运行,使有的机房不得不改为上送风形式。因此,对送风形式不能一味采用下送风形式,应根据机房的长远规划及扩容的可能性采用合理的送风形式。

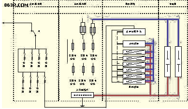
  通信机房对消防问题也是机房设计主要点之一。对于通信机房时消防时空调送风处理问题规范中都无明确的规定。此问题设计中大多根据民用建筑采暖通风技术措施规定,切断空调通风系统防止火势通过通风管蔓延。笔者认为此规范不一定完成适应于通信工程。因为民用工程中主要消防时,所有非消防电源均被切断,而通信工程采用的是不间断供电,消防时大多正常通电运行,而且大多设备还正常。下面首先看看通信机房设备的供电情况(如下图):
  根据通信电源设计规范,按二三类供电的通信机房配置的电池组放电小时数,按机房性质一般为1~16小时不等。也就时说即使交流电停止供应通信设备供电也保持1~16小时不等,而通信机房一般采用全淹没气体消防,消防的目的是控制火势蔓延同时保护财产设备、人员安全。笔者认为对通信机房空调由于设备供电具有特殊性,不应照搬用民用建筑要求,因为如果切断空调电源会造成设备发热导致设备损害,更合理做法应当将空调机房与通信机房同时列为同一防火分区,消防时切断空调新风供应而保持空调系统的正常运行。该问题规范尚未明确观点是否正确,只做为抛砖引玉,希望能引起争鸣。

  总之,通信机房不同于一般民用建筑以上提出一些观点,(对于采用分体式空调机不列入本文)希望设计人员设计时认真考虑,采用更加合理的空调方式。

收藏分享:论坛
分享到:
相关新闻
  • 特色班
    4大班次+2-3套全真模拟题
    提升学习效果
  • 精品班
    4大班次+2-3套全真模拟题+1套预测试题
  • 实验班
    3套全真模拟题+2套预测试题+考前冲关宝典
  • 定制班
    3套模拟题+3套预测题+考前冲关宝典+考前重点
  • 移动班
    以知识点为单元授课练习,
    强化重点、难点、考点
版权声明

  1、凡本网注明“来源:建设工程教育网”的所有作品,版权均属建设工程教育网所有,未经本网授权不得转载、链接、转贴或以其他方式使用;已经本网授权的,应在授权范围内使用,且必须注明“来源:建设工程教育网”。违反上述声明者,本网将追究其法律责任。
  2、本网部分资料为网上搜集转载,均尽力标明作者和出处。对于本网刊载作品涉及版权等问题的,请作者与本网站联系,本网站核实确认后会尽快予以处理。
  本网转载之作品,并不意味着认同该作品的观点或真实性。如其他媒体、网站或个人转载使用,请与著作权人联系,并自负法律责任。
  3、本网站欢迎积极投稿。