《建设工程项目管理》
2011年网上增值服务(4)
勘误
1. P48 倒17行
在该规范中,把项目管理规范分成两个类型:“项目管理规范应包括项目管理规划大纲和项目管理实施规划两类文件”。
应为:
在该规范中,把项目管理规划分成两个类型:“项目管理规划应包括项目管理规划大纲和项目管理实施规划两类文件”。
2.P103 表1Z202033-8红色标记为更正后的正确说法。
赢得值法参数分析与对应措施表 表1Z202033-8



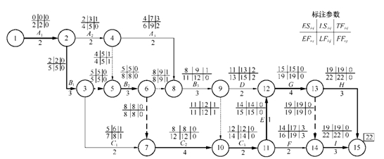
[例1Z203033-1] 已知网络计划的资料如表1Z203032-3所示,试绘制双代号网络计划。若计划工期等于计算工期,试计算各项工作的6个时间参数及确定关键线路,并标注在网络图上。
[解] 1.根据表1Z203032-3中网络计划的有关资料,按照网络图的绘图规则,绘制双代号网络图如图1Z203033-2所示。

图1Z203033-2 双代号网络图计算实例
4. P137-138.以下例子中,红色标记处为勘误后正确表述。
[例1Z203033-3] 已知单代号搭接网络计划如图1Z203033-5所示,若计划工期等于计算工期,试计算各项工作的6个时间参数并确定关键线路,标注在网络计划上。

图1Z203033-5 单代号搭接网络计划实例
[解] 单代号搭接网络时间参数计算总图如图1Z203033-6所示,其具体计算步骤说明如下。

图1Z203033-6 单代号搭接网络时间参数计算总图
1. 计算最早开始时间和最早完成时间
(8)根据以上计算则终点节点的时间应从其紧前几个工作的最早完成时间中取最大值,即:
ESFin=max{22,20,16}=22
在很多情况下,这个值是网络计划中的最大值,决定了计划的工期。但是在本例中,决定工程工期的完成时间最大值的工作却不在最后,而是在中间的工作F,这时必须按以下方法加以处理。
(9)终点一般是虚设的,只与没有外向箭线的工作相联系。但是当中间工作的完成时间大于最后工作的完成时间时,为了决定终点的时间(即工程的总工期)必须先把该工作与终点节点用虚箭线联系起来,如图1Z203033-6,然后再依法计算终点时间。在本例中,
ESFin =max{22,24,20,16 }=24
已知计划工期等于计算工期,故有Tp=Tc=EF16=24
5. 计算工作的最迟开始时间LSi和最迟完成时间LFi
(1)凡是与终点节点相联系的工作,其最迟完成时间即为终点的完成时间,如:
LF7=LF10=24
LS7=LF7-D7=24-14=10
LS9=LF9-D9=24-6=18
(2)相邻两工作的时距为STSi,j时,如两工作E、H之间的时距为STS6,8=4.
LS6=LS8-STS6,8=20-4=16
LF6=LS6+D6=16+10=26
节点6(工作E)的最迟完成时间为26d,大于总工期24d,这是不合理的,必须对节点6(工作E)的最迟完成时间按下述方法进行调整。
(3)……
(4)若明确中间相邻两工作的时距后,可按照式(1Z203033-43)和(1Z203033-44)计算,如:
LF5=min{(LS9 -FTS5,9),(LF7-FTF5,7)}
=min{(18 0),(24 14)}=10
LS5=LF5-D5=10-10=0
LF4=min{(LS7-STS4,7+D4),(LF7-FTF4,7),(LS6-STS4,6+D4)}
=min{(10-3+14),(24-6),(14-6+14)}=18
LS4=LF4-D4=18-14=4
[下一页]
建设工程教育网整理





![[em2_01]](https://live.cdeledu.com/web/images/emoji/01.png)
![[em2_02]](https://live.cdeledu.com/web/images/emoji/02.png)
![[em2_03]](https://live.cdeledu.com/web/images/emoji/03.png)
![[em2_04]](https://live.cdeledu.com/web/images/emoji/04.png)
![[em2_05]](https://live.cdeledu.com/web/images/emoji/05.png)
![[em2_06]](https://live.cdeledu.com/web/images/emoji/06.png)
![[em2_07]](https://live.cdeledu.com/web/images/emoji/07.png)
![[em2_08]](https://live.cdeledu.com/web/images/emoji/08.png)
![[em2_09]](https://live.cdeledu.com/web/images/emoji/09.png)
![[em2_10]](https://live.cdeledu.com/web/images/emoji/10.png)
![[em2_11]](https://live.cdeledu.com/web/images/emoji/11.png)
![[em2_12]](https://live.cdeledu.com/web/images/emoji/12.png)
![[em2_13]](https://live.cdeledu.com/web/images/emoji/13.png)
![[em2_14]](https://live.cdeledu.com/web/images/emoji/14.png)
![[em2_15]](https://live.cdeledu.com/web/images/emoji/15.png)
![[em2_16]](https://live.cdeledu.com/web/images/emoji/16.png)
![[em2_17]](https://live.cdeledu.com/web/images/emoji/17.png)
![[em2_18]](https://live.cdeledu.com/web/images/emoji/18.png)
![[em2_19]](https://live.cdeledu.com/web/images/emoji/19.png)
![[em2_20]](https://live.cdeledu.com/web/images/emoji/20.png)





扫一扫立即下载
扫码添加老师