屋盖支撑传递吊车间产生的冲切力吗?
【提问】老师,您好!屋盖支撑传递吊车间产生的冲切力吗?
【回答】学员lzy429,您好!您的问题答复如下:
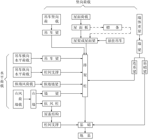
您看看这个:

★问题所属科目:注册造价工程师——建设工程技术与计量(土木建筑工程)
交流分享,早日上岸!
扫码了解并领取一造资讯及资料
【提问】老师,您好!屋盖支撑传递吊车间产生的冲切力吗?
【回答】学员lzy429,您好!您的问题答复如下:
您看看这个:

★问题所属科目:注册造价工程师——建设工程技术与计量(土木建筑工程)