您还不是会员
APP学习更便捷
交流分享,早日上岸!
一、危险源识别方法
危险源识别方法见表5—7.
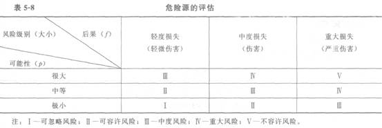
二、危险源的评估
危险源的评估见表5—8.
2024年一级建造师考试建设工程经济
达江老师
2024年一级建造师考试建设工程项目管理
李娜老师
2024年一级建造师考试工程法规管理与实务
王竹梅老师
2024年一级建造师考试建筑施工工程管理与实务
何龙吟老师
历年试题
模拟考试
巩固练习
试题解析
挑战极限
每日一练
建设工程教育APP更多免费题库请下载
一级建造师指南 报名 准考证 试题 成绩
二级建造师指南 报名 准考证 试题 成绩
一级造价师 指南 动态 政策 试题 复习
房地产估价师 指南 报名 准考证 试题 成绩
注册安全工程师 指南 报名 政策 试题 成绩
二级造价师 指南 动态 政策 试题 复习
监理工程师 指南 报名 准考证 试题 成绩
咨询工程师 指南 动态 政策 试题 复习
实务操作 BIM 实务大讲堂 资料免费下载