造价工程师土建工程复习要点:间壁墙
【提问】老师,您好!请问“间壁墙”是什么?
【回答】学员cq2002,您好!您的问题答复如下:
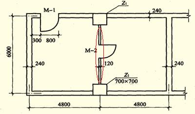
间壁墙是采用轻质材料做的,墙厚一般120,180,与隔墙比较,隔墙可以不做到封顶,而间壁墙是要封顶的。
其主要有两个特征:墙体较薄;非承重墙。
如下图所示,红色标记的120墙即为间壁墙:

★问题所属科目:注册造价工程师——建设工程技术与计量(土木建筑工程)
交流分享,早日上岸!
扫码了解并领取一造资讯及资料
【提问】老师,您好!请问“间壁墙”是什么?
【回答】学员cq2002,您好!您的问题答复如下:
间壁墙是采用轻质材料做的,墙厚一般120,180,与隔墙比较,隔墙可以不做到封顶,而间壁墙是要封顶的。
其主要有两个特征:墙体较薄;非承重墙。
如下图所示,红色标记的120墙即为间壁墙:

★问题所属科目:注册造价工程师——建设工程技术与计量(土木建筑工程)