手机学习
建设工程教育网

APP学习更便捷

建设工程教育网

微信公众号

010-82333888
当前位置:建设工程教育网 > BIM > 试题中心 > 历年试题 > 正文

第十八期全国BIM技能等级考试二级(结构)试题

2021-12-14 17:00   来源:建设工程教育网 字体: 打印 收藏

BIM第十八期考试已经圆满结束,小编为大家整理了第十八期BIM技能等级考试二级(结构)试题,希望对考生有帮助~

BIM十八期结构试题1

BIM十八期结构试题2

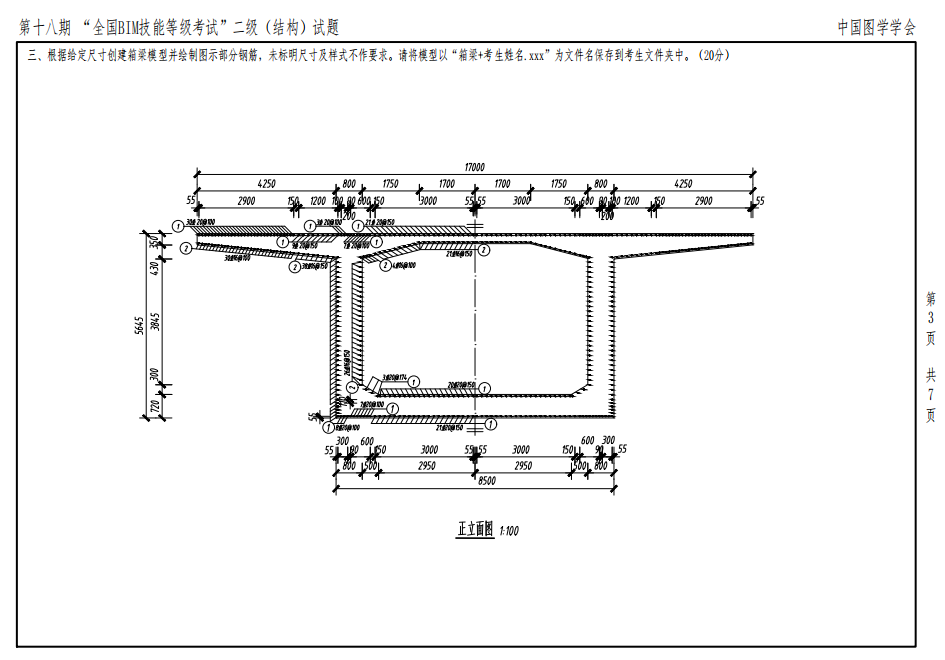
BIM十八期结构试题3

BIM十八期结构试题4

BIM十八期结构试题5

BIM十八期结构试题6

BIM十八期结构试题7

报考指南

BIM_报考指南
  • 报 名 时 间

    上半年3-6月

  • 准考证打印

    考前一周左右

  • 考 试 时 间

    上半年6月22、23日

  • 考 试 成 绩

    考后三个月左右公布

  • 合格证领取

    查分后2-3个月公布

阅读排行

BIM课程
  • 免费试听
  • 免费题库
闫老师 BIM一级 教材精讲班 免费试听

关注更多

立即扫码添加学习顾问

报考指导

考情速递

备考计划

帮你选课

网站地图
回到顶部
折叠