全国BIM等级考试第十七期试题
 
   
        
        
        2021年BIM下半年的考试时间为12月11、12日,正在备考的考生有福利啦!小编为大家整理了往年的试题,快来看一看~
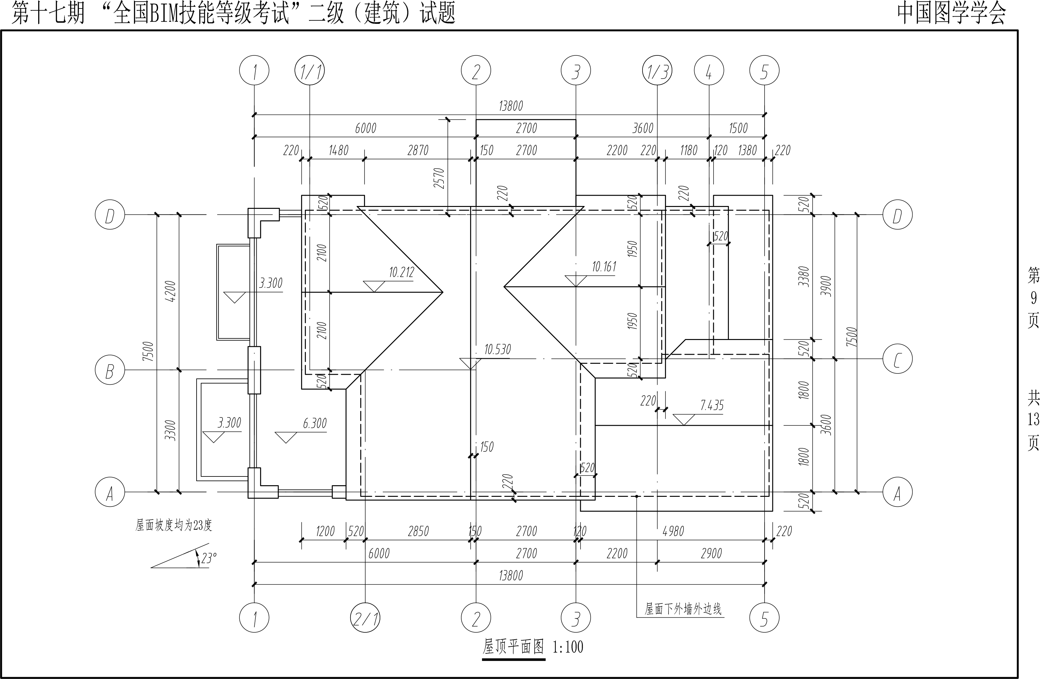
第十七期BIM技能等级考试二级(建筑)试题:
推荐阅读:
 
   
        
        
        
        
        
        
      报考指南
阅读排行
关注更多
立即扫码添加学习顾问
 
  
       报考指导
      报考指导
    
       考情速递
      考情速递
    
       备考计划
      备考计划
    
       帮你选课
      帮你选课
    
 
           
       
				 
							

 010-82326699
010-82326699
		 
            













 
    




 
   苏公网安备32128202000920号
苏公网安备32128202000920号 扫码添加顾问老师
扫码添加顾问老师
			 扫一扫下载建设
扫一扫下载建设